

 产品中心
产品中心◆ 精度:±30mm
◆ 测程:0-400m 
◆ 频率:200Hz 
◆ 接口:PROFINET、 RS422
◆ 测量方式:慢反射
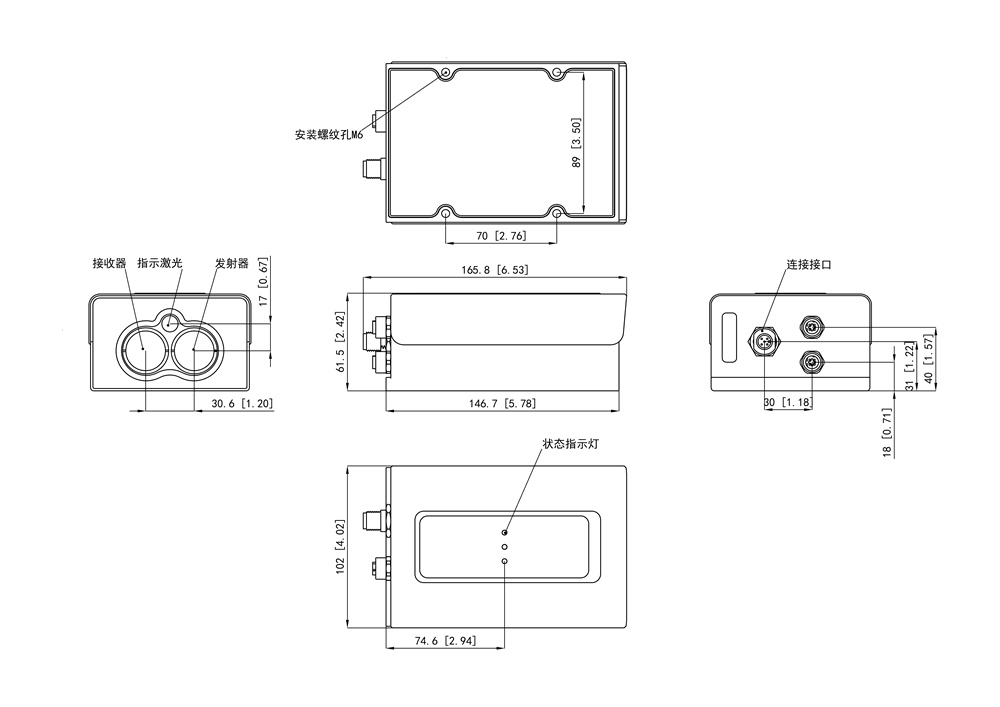
| 工作距离 | 精度 | 频率 | 接口 | 工作温度 | 型号 | 订货号 | 
| 0.3-400m | ±1cm(50m) | 200Hz | RS422 | –20°C...+70 °C | PML30-A500-S | 400101 | 
| 30Hz(PN) | PROFINET, RS232 | PML30-A500-NS | 400102 | 
响应速度极快
PML30可根据测量目标及传播介质的情况自适应快速速出测量值。
抗干扰能力极强
通过对光学系统的优化,能够轻松应对强光及高粉尘的干扰

我们有专业的开发团队,可以根据实际的需求来量身订造的传感器应用解决方案。 从方案指定,确定方案,订单生产及现场安装,全程贴心服务。如果有需要, 请拨打电话,我们将尽快安排专业的人员联系您。